智能路燈三遙控制箱是智慧照明系統的核心設備,通過遙測、遙信、遙控(簡稱 “三遙”)三大核心功能,實現對路燈的智能化集中管理與精準控制。其集成了物聯網通信、電力電子、自動控制等技術,可顯著提升路燈系統的運行效率、節能效果和運維便捷性。以下是其功能特點、應用場景及技術優勢的詳細解析:
一、核心功能解析
1. 遙測(遠程測量)
- 實時數據采集
- 監測每路路燈的電壓、電流、功率、功率因數、用電量等電氣參數,精度可達 ±1%。
- 采集環境數據:支持接入光照度、溫濕度、PM2.5 等傳感器,實時感知周邊環境(如根據光照度自動調節路燈亮度)。
- 數據存儲與分析
- 內置存儲模塊,可存儲歷史數據(如每日 / 每月用電曲線),支持按時間段查詢或生成報表,輔助分析能耗趨勢與設備健康狀態。
2. 遙信(遠程信號監測)
- 狀態監測與報警
- 實時監測路燈回路的通斷狀態、故障信號(如短路、漏電、缺相、燈具損壞),通過指示燈或數字信號反饋至管理平臺。
- 支持自定義報警閾值:如設定電流異常波動超過 10% 時觸發報警,或單燈故障數量超過閾值時預警。
- 設備運行狀態反饋
- 監測控制箱自身狀態:如防雷器故障、箱門開合(防非法入侵)、內部溫度過高(過熱保護)等,保障設備安全。
3. 遙控(遠程控制)
- 遠程開關與調光
- 支持對單個回路或全局路燈進行遠程開關控制,可設定定時任務(如分時段調光:深夜自動降為 30% 亮度)或根據環境動態調節(如人車流量檢測后動態調光)。
- 兼容多種調光協議:如 0-10V、PWM、DALI,適配 LED 燈、高壓鈉燈等不同燈具類型。
- 應急響應與聯動控制
- 突發情況下(如暴雨、地震),可通過管理平臺一鍵切換至 “應急照明模式”(全亮或指定區域強亮);與氣象預警系統聯動,自動調整照明策略。

二、擴展功能與技術特點
- 通信與協議支持
- 內置多種通信模塊:NB-IoT、4G/LTE、LoRa、WiFi 等,支持與云端平臺(如阿里云、騰訊云)或本地服務器對接。
- 兼容標準協議:如 Modbus、TCP/IP、MQTT,便于與第三方系統(如智慧城市管理平臺)集成。
- 節能與安全設計
- 智能節能策略:通過分時控制、光照感應、動態調光等方式,實現 30%-50% 的節能效果。
- 多重保護機制:內置浪涌保護器(SPD)、過壓 / 欠壓保護、漏電保護開關(RCD),防止雷擊、電壓波動等損壞設備。
- 模塊化與易維護
- 采用模塊化設計(電源模塊、通信模塊、控制模塊獨立插拔),支持帶電維護;支持 OTA 遠程升級,無需現場調試。
- 具備 GPS / 北斗定位功能,便于資產管理與地理信息系統(GIS)地圖標注。
三、典型應用場景
1. 城市道路照明管理
- 核心需求:大規模路燈集中管控、節能降耗、故障快速響應。
- 應用價值:
- 通過 “時控 + 光控 + 車流量控” 組合策略,實現動態節能(如主干道高峰時段全亮,低峰時段半亮)。
- 案例:某城市部署三遙控制箱后,路燈故障處理時間從 24 小時縮短至 2 小時,年均能耗降低 35%。
2. 高速公路與橋梁隧道
- 場景痛點:長距離線路維護困難,照明中斷易引發交通事故。
- 解決方案:
- 分區段部署控制箱,實時監測隧道內燈具狀態,故障時自動點亮備用回路;與交通監控系統聯動,根據車流量動態調整隧道照明亮度(如入口處強光提醒)。
3. 工業園區與智慧園區
- 需求特點:高安全性要求(如防爆區域)、定制化照明策略(如夜間巡邏路線高亮)。
- 功能落地:
- 對接園區能源管理平臺,實時監控照明能耗;支持與安防系統聯動(如視頻監控檢測到人員移動時,自動調亮附近路燈)。
4. 景區與文旅場所
- 應用亮點:
- 支持 “景觀模式” 與 “節能模式” 切換:夜間旅游旺季全亮展示景觀,淡季深夜自動調暗;
- 結合游客熱力圖數據,動態調節重點區域(如網紅打卡點、步道)的照明亮度,提升體驗安全性。
5. 鄉村與偏遠地區
- 價值體現:
- 解決人工巡檢成本高問題,通過遠程監測減少運維頻次;
- 兼容太陽能路燈系統,實現 “發 – 儲 – 用 – 控” 一體化管理,保障離網區域照明穩定性。
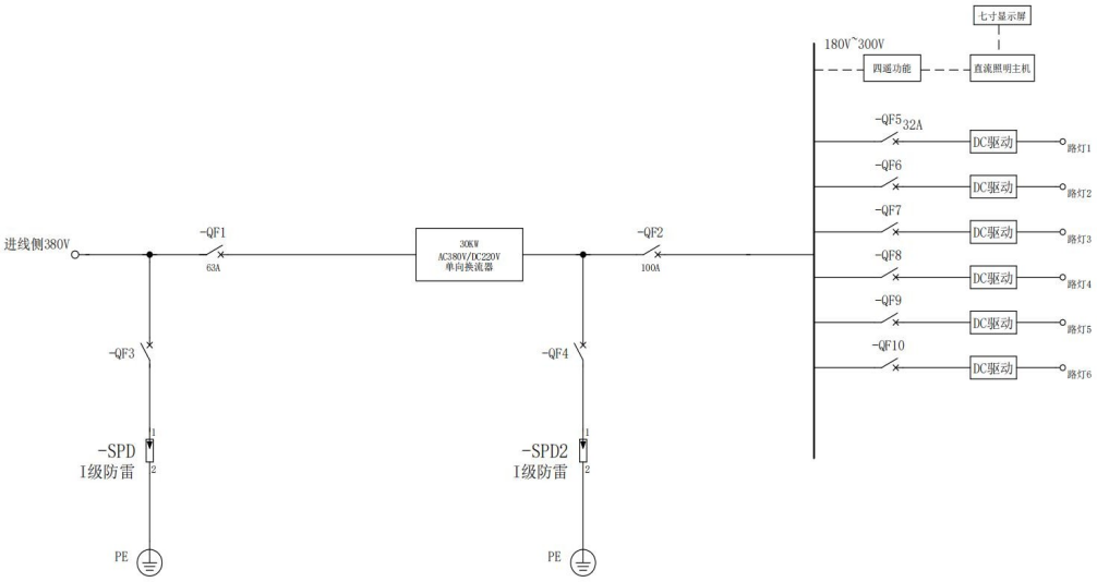
四、系統架構與組網方式
智能路燈三遙控制箱 → 通信網絡(NB-IoT/4G/LoRa) → 云端管理平臺(PC/APP) ↓ ↑ 傳感器(光照度、電流互感器) 運維人員(故障報警、指令下發)
- 終端層:控制箱部署于路燈配電箱或桿體附近,連接燈具與傳感器。
- 網絡層:通過無線通信上傳數據至云端,支持邊緣計算(如本地存儲關鍵數據,網絡中斷時不影響基本控制)。
- 應用層:管理平臺提供地圖可視化、數據報表、工單派發等功能,支持多角色權限管理(如管理員、運維員、決策者)。
五、對比傳統控制箱的優勢
| 維度 | 傳統控制箱 | 智能三遙控制箱 |
| 控制方式 | 本地手動或定時開關 | 遠程實時控制,支持動態策略 |
| 故障排查 | 人工巡檢,響應慢 | 自動報警,精準定位(誤差≤50 米) |
| 節能效果 | 固定時段開關,能耗高 | 動態調光,節能率 30%+ |
| 數據支持 | 無實時數據 | 全量電氣參數與環境數據采集 |
| 擴展性 | 功能固定,升級困難 | 模塊化設計,支持協議擴展 |
六、發展趨勢與技術升級
- 融合新技術:與 5G RedCap、AI 視覺(視頻分析車流量)、數字孿生技術結合,實現更精準的照明控制。
- 綠色低碳:適配光伏 / 儲能系統,支持 V2G(車網互動)技術,打造 “光儲充照” 一體化解決方案。
- 標準化與國產化:遵循《智慧照明控制系統技術規范》等國家標準,核心芯片與軟件國產化率提升。
總結
智能路燈三遙控制箱通過 “遙測實時化、遙信智能化、遙控精準化”,重構了傳統路燈管理模式,不僅是智慧城市的基礎設施,更是能源管理與安全防控的關鍵節點。其核心競爭力在于將 “物聯網 + 大數據 + 智能控制” 深度融入照明系統,未來將在新型城鎮化、雙碳目標等政策驅動下,成為城市數字化轉型的重要抓手。